发表日期 2010/09/21 修改日期
类       別 闪烁指示灯
型       号 TPLR30
品       名 凸圓式
特性规格
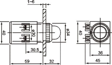
口径: 30mm
电压: 110V,220V,380V,440V
颜色: (R)红 (G)绿 (Y)橙 (W)白 (BL)蓝
灯泡型式: E12 TYPE, 18V 0.11A 2W.
闪烁频率: 0.2-1 SEC.
尺寸图

系列产品
TCPL30 TKPLF30 TKPLR30 TPLF30 TPLR30 TPLS30